220v转12v500ma芯片(220v转12v300ma小家电专用电源芯片)
220V交流电经过变压器降为912V交流电后,通过整流桥转为脉动直流,再经过滤波电容消除波动,最后由7805芯片输出5V直流这类方案电路简单成本低,但转换时电能损耗以热能形式释放,充电电流超过500mA时需加装散热片2 开关电源方案 采用LM2596等开关芯片,通过高频开关管快速通断实现电能转换电路中电。

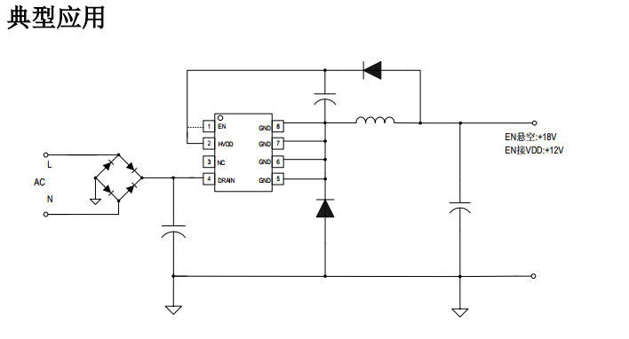
2220V转12V降压电路 输入 3 2~380Vac , 输出 12 V500mA 非隔离电源 如图2所示的电路为一个典型的输出为12 V500 mA的非隔离电源,输入电源范围32380Vac它通常应用于家用电器的电饭煲洗衣机及其它白色家电此电路还适合于其它非隔离供电的应用,比如LED驱动智能电表加热器以及辅助。
DC12v是是12v的直流电,电流是500mA,这一般是电源适配器上的充电器和变压器 电源适配器是小型便携式电子设备及电子电器的供电电源变换设备,一般由外壳电源变压器和整流电路组成,按其输出类型可分为交流输出型和直流输出型按连接方式可分为插墙式和桌面式广泛配套于电话子母机游戏机语言复读。
2V,即4852V,电流500mA关机后,若主板或电源持续输出+5VSB,USB接口的VCC线仍会带电,但信号线DATA通常无数据传输总结关机后USB供电是主板待机设计电源管理功能及芯片组特性的综合结果,目的是支持远程唤醒键盘开机等功能若需完全断电,需拔出电源线或关闭插座开关。
